NEWPORT 优铂特 GTS150 GTS 高精度铝电动线性位移台
电动线性位移台,150mm行程,高扭矩直流电机, M4 和 M6
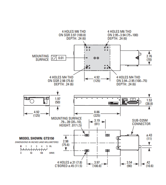
GTS150高精度线性位移台经过精心设计,以紧凑、坚固且经济高效的封装提供卓越的轨迹精度,并具有100 nm的最小增量运动。GTS150采用齿轮固定器的防蠕变交叉滚子轴承,高扭矩直流电机和低摩擦滚珠丝杠,能够实现精确、无波动的运动,而无保持架偏移。先进的不对称主体设计以及灵活的预紧力对非理想的安装表面不敏感,并且在变化的温度下仍能提供一致的结果。超薄且柔顺的滑架已经针对XY配置和高垂直负载能力等不同负载条件进行了优化,可提供±0.1µm的出色双向重复性。典型的应用包括表面扫描、测试和校准、光学组件的对准和连接以及高精度光学延迟线。
有关平台和控制器的兼容性,请单击此处:平台兼容性模型。
参数
行程范围
150 mm
最大速度
50 mm/s
最小位移增量
100 nm
中心负载能力
100 N
轴向负载 (+Cx)
20 N
逆轴向负载能力 (-Cx)
-20 N
精度,典型值
±0.5 µm
精度,保证值
±1.0 µm
双向重复精度,典型值
±0.08 µm
双向重复精度,保证值
±0.10 µm
平面度,典型值(保证值)
±0.50 (±1.0) µm
直线度典型值(保证值)
±0.50 (±1.0) µm
俯仰,典型值
±30 µrad
俯仰,保证值
±40 µrad
微信/手机: 18938648240 QQ : 1605935956 电话 : 075583317774 Email : 1605935956@qq.com