NEWPORT 优铂特 9066-X-V 交叉滚子轴承钢制平台
线性位移台,0.5 英寸行程,4-40,8-32,1/4-20,真空
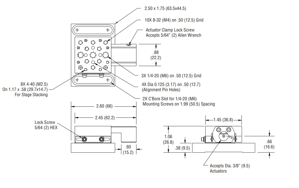
9066-X-V真空兼容不锈钢交叉滚子轴承线性平移台是一个0.5英寸行程的线性平移台,由于这些不锈钢平台的重量由促动器而不是弹簧支撑,因此具有更高的稳定性。这为在Z轴配置中使用这些X轴配置的平台提供了便利。这些平台组装干净,并使用适用于真空和清洁环境的低蒸气压润滑脂。9066系列平台具有大量的安装孔图案,包括8个4-40,10个8-32和3个1/4-20的螺纹安装孔,不包括促动器。我们建议将8301-V真空兼容的picomotor促动器用于真空应用。
参数
位移轴
X
最大位移台行程
12.7 mm
中心负载
111 N
轴向负载
44.5 N
角度偏差
150 µrad
材料
Stainless Steel
轴承
Crossed-Roller Bearings
螺纹类型
4-40, 8-32 and 1/4-20
真空兼容性
10-6 hPa
推荐的压电促动器
8301-V
微信/手机: 18938648240 QQ : 1605935956 电话 : 075583317774 Email : 1605935956@qq.com