深圳市朗磊贸易有限公司

产品详情
|

HAMAMATSU    滨松   S12558-02DT    施密特触发电路光 IC

品牌: HAMAMATSU滨松
型号: S12558-02DT
产品详情

HAMAMATSU    滨松   S12558-02DT    施密特触发电路光 IC


高可靠性光 IC,可以 2.2 V 供电


S12558-02DT 是一款光 IC,由光电二极管、放大器、施密特触发电路和输出晶体管组成,全部集成在单个芯片上,并用透明树脂模制成微型封装。通过将 S12558-02DT 与红外 LED L6895-10(由滨松制造)相结合,可配置耐受恶劣环境条件的光编码器。


特点
-低压运行 (2.2 V)
-集电极开路输出
-在光输入端输出“L”电平
详细参数
封装塑料
封装类型透明
类型低压运行,集电极开路输出,在光输入端输出“L”电平
工作温度-25 至 +80 摄氏度
储存温度-30 至 +85 摄氏度
消耗电流1.3 mA
测量条件典型值 Ta = 25°C,除非另有说明
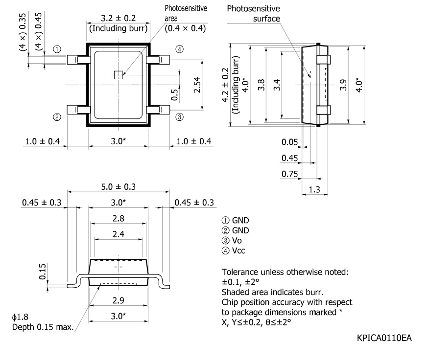
外形尺寸图(单位:mm)




微信/手机: 18938648240   QQ : 1605935956    电话 : 075583317774      Email : 1605935956@qq.com

联系我们
Contact us
联系邮箱 1605935956@qq.com
联系电话
0755-83317774
联系地址

深圳市龙岗区平湖街道凤凰社区双拥街24、26、28号306

联系QQ
1605935956
微信/手机: 18938648240