NEWPORT 优铂特 460A-XYZ-MIC 单排滚珠轴承铝制平台
线性位移台套件,三个 460A-XYZ 线性平移台和 SM-13 测微计,1/4-20
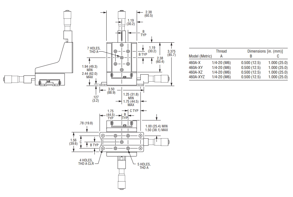
460A-XYZ-MIC是三个460A-XYZ线性平台的特殊组合,包括附带所有必需的SM-13测微计。Z轴位移台/支架可以由用户拆卸,从而可以将XYZ轴型转换为XY轴型。460A-XYZ采用全铝结构,带有硬化的滚珠轴承,沿着相对的成对抛光和硬化的不锈钢棒运行。SM-13游标测微计是大多数Newport位移台(包括460A系列位移台)的标准驱动器。它的行程范围为13毫米,负载能力为9磅。SM-13的螺距为0.5毫米(50.8 TPI),可直接以10微米的增量读取,游标读数为1微米。
用于平滑平移的不锈钢滚珠轴承
该轻质铝结构使用不锈钢滚珠轴承沿成对排列的抛光不锈钢棒上进行平移。该位移台也被弹簧装载到驱动执行器上,以进行无回程差运动。对于负载量较低的轻质位移台,其可在整个 0.5 英寸(或 13 mm)的行程范围内保证优异的行程直线度(偏差小于 150 µrad)。
快速的侧面标签安装
大多数标准位移台安装在位移组件下面,需要适当的位置调整以露出安装通孔。然而,使用 460A 系列快速安装线性位移台,方便的外部安装配件避免了这一要求。这些位移台提供最简单的安装方式,无论位移台的初始位置在何处,都可以快速安装到光学系统中。
薄型设计可适用狭小空间
这些位移台的 x 和 xy 配置具有相同的最小轮廓高度 1 英寸,可轻松安装在任何地方。不锈钢促动器安装座兼容手动或电动促动器,可满足您任何的精度需求,随带(-MIC型号)或不带促动器一起出售。
参数
位移轴
X, Y, Z
最大位移台行程
13 mm
中心负载
67 N
轴向负载
22 N
推荐促动器
Included
角度偏差
<150 µrad
材料
Aluminum
轴承
Single-Row Ball Bearings
驱动位置
Center drive
螺纹类型
1/4-20
微信/手机: 18938648240 QQ : 1605935956 电话 : 075583317774 Email : 1605935956@qq.com